工作原理
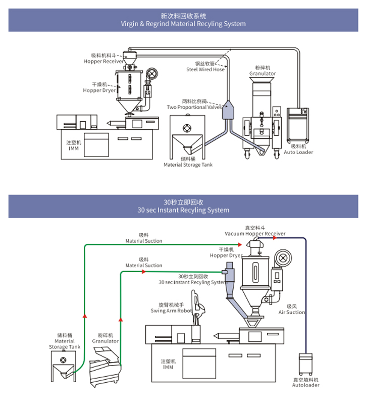
中速粉碎机采用伍情式刀具搭配切断刀结构,专利设计的多方位切削刀具,可达到完全无粉尘的粉碎效果,粉碎好的物料与储料桶的新料,根控两科比例
网调节混合后直接由吸科机输送至成型机。
特点
1、投料斗采用双层不锈钢结构,美观坚固,隔音效果好
2、可拆卸式清料设计:入料斗,碎料刀过滤网均可拆卸清料快速便捷
3、机器结构合理,体积小不占空间,底部装有脚轮,移动方便
4、140~300rpm 中转速粉碎,粉尘少,省电低噪音
5、刀具材质采用优质SKD-11(选配)经久耐用,刀具阶梯式排列,增强切削能力,提高破碎效率。
6、各种规格孔径的筛网可以满足各种产品需求,活动筛网拆装方便,便于清洗换色。
7、防护装置完善,性能稳定可靠,上下箱体及检修口处设限位开关开启后设备处于断电状态保证操作人员。
应用范围
适用于放在注塑机旁边与机械手搭配输送带将机边水口料或少量不良品粉碎。此外粉碎好的料,也可搭配30秒立即回收系统,由风机将其送至旋风集尘器内,将粉末隔离,回收到集重袋内,颗粒料则同干燥机内的新料,根据两料比例闷调节混合后再经集尘器底部的手动比例阀混合一同流入主机内使用。

产品规格表
